Heating &Featured somatosensory series

加热及特色体感系列

SHENZHEN YIKONGDI INTELLIGENT HOME FURNISHING TECHNOLOGY CO.,LTD

产品介绍

———— 精工细作 · 内外兼备 ————

产品特点

1.圆形手控器

2.控制单电机

3.支持USB充电

4.带加热功能,三档可调,远红外碳纤维加热安全可靠,还有保健理疗效果

5.操作简单,安装便捷

控制器键位示意图

技术参数

额定电压:29V

额定电流:2A

额定功率:58W

工作时间:30分钟

最大加热功率:46W

注意事项

———— 精工细作 · 内外兼备 ————

提供5V\1A的USB接口充电功能。具备短路保护、过流保护功能。

操作简单,安装便捷

带加热功能,三档可调,远红外碳纤维加热安全可靠,还有保健理疗效果

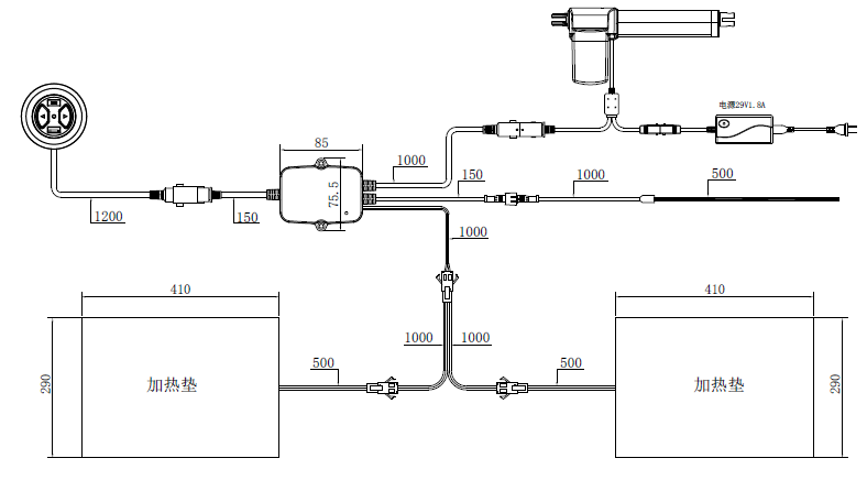
安装说明

———— 精工细作 · 内外兼备 ————

本控制组件在安装时,必须按此连线图检查线路连接,否则将可能导致某些部件因连接不当造成损坏。